Sicherheitsrelais PNOZ
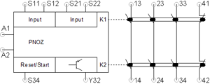
Sicherheitsschaltgeräte sind zentraler Bestandteil der Sicherheitstechnik. Dieses Sicherheitsrelais mit zwangsgeführten Kontakten findet Anwendung in der Realisation von Sicherheitsfunktionen wie einem Not-Halt oder der Überwachung von Schutztüren.
Dieses Modell des Sicherheitsrelais basiert auf dem Sicherheitsschaltgerät für Not-Halt und Schutztür aus dem Gerätesatz TP 250 Sicherheit in pneumatischen Systemen
der Festo Didactic. Verwendet wird darin das Sicherheitsrelais PNOZ S4 der Firma Pilz. Die korrekte Verdrahtung des Sicherheitsschaltgerätes ist der Bedienungsanleitung des PNOZ S4 zu entnehmen.
Einstellbare Parameter
| Bezeichnung | Bereich | Standardwert |
|---|---|---|
| Betriebsart | Automatischer/Manueller Start, Überwachter Start mit fallender Flanke, Überwachter Start mit steigender Flanke | Automatischer/Manueller Start |
| Min. Spannung | 0.1 ... 100 V | 21.6 |